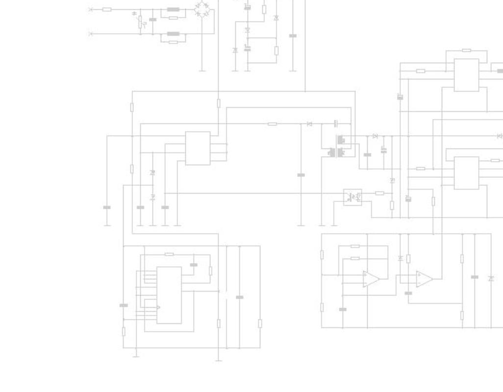
Temperature Controller for Industrial Bread Bakery Oven Temperature controller for J-probes with set- point and actual value display and additional control functions. A special anti-bounce circuit and a delay in the switching process of the cir- cuit breakers ensure trouble-free and reliable operation. Fig left top: Industrial bread bakery oven. Fig left: Temperatur controller.
DESIGN AND DEVELOPMENT OF ELECTRONIC CIRCUITS
Others Temperatur Controller for Industrial Bread Bakery Oven